Karnisz Sufitowy Szyna Sufitowa Aluminiowa ZESTAW WAVE PS 420 cm
Dodaj nowoczesny akcent do swojego domu dzięki jednotorowej aluminiowej szynie sufitowej PS. Jej minimalistyczna forma i stylowy design doskonale podkreślą każde wnętrze.
✔️ Wytrzymała i lekka konstrukcja
Szyna wykonana jest z wysokiej jakości aluminium, co zapewnia jej trwałość i lekkość.
✔️ Łatwy i szybki montaż
Montowanie szyny jest niezwykle proste dzięki wklikiwanym uchwytom sufitowym i ściennym.
✔️ Nowoczesne wykończenie
Szyny oraz ich elementy są lakierowane proszkowo, co gwarantuje trwałość powłoki. Produkt dostępny w różnych rozmiarach, co pozwala idealnie dopasować go do Twoich potrzeb.
✔️ Wszechstronne zastosowanie
Idealnie sprawdzi się w oknach narożnych, basztach, wykuszach oraz wnękach sufitów podwieszanych. Można ją również montować na konstrukcjach z płyt gipsowo-kartonowych.
✔️ Wybór suwaków do Twoich potrzeb
W ofercie dostępne są różne rodzaje suwaków, w tym suwak z żabkami, które zapewniają płynne i ciche przesuwanie tkanin.
✔️ System WAVE w zestawie
Szyna jest wyposażona w system WAVE, który pozwala uzyskać perfekcyjne, równomierne fale na zasłonach i firanach.
Zmień oblicze swojego wnętrza dzięki szybkiemu i łatwemu montażowi szyny sufitowej!
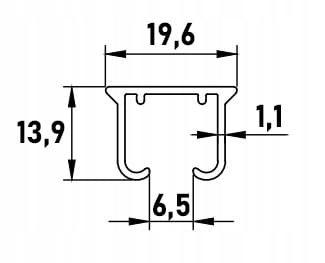
Specyfikacja Techniczna:
Szyna Aluminiowa:
- Szerokość: 19,6 mm
- Wysokość: 13,9 mm
- Szerokość otworu: 6,5 mm
System WAVE:
- Sznurek WAVE co 6 cm lub co 8 cm (do wyboru) - ślizgi na sznurku, które równomiernie układają fale z zasłon.
- Agrafki francuskie
Uchwyt Sufitowy:
- ️ Montaż bezpośredni do sufitu: Solidne mocowanie, gwarantujące stabilność.
- System klik: Łatwe i szybkie zapinanie szyny – wystarczy kliknięcie, by pewnie zamocować uchwyt do szyny.
Zaślepka:
- Wykonana z wysokiej jakości PCV: Trwała i estetyczna, zabezpiecza końce szyny przed uszkodzeniami.
Kołki Montażowe:
- Kołki szybkiego montażu fi 6: Kompletny zestaw do szybkiego i łatwego montażu.
Przedmiotem naszej oferty jest komplet karnisza sufitowego szynowego o długości 420 cm.
Podana cena dotyczy 420 cm szyny wraz z akcesoriami i systemem WAVE
Elementy składowe kompletu karnisza w zestawie WAVE zawierają:
✅ 420 cm szyna aluminiowa PS biała
✅ Sznurek Wave Obrotowy (co 6 cm lub co 8 cm)- Prosimy o wybór sznurka
- Docięty na wymiar szyny
- WAŻNE: w przypadku niepodania wariantu sznurka, wyślemy wariant co 6 cm!
✅ Agrafki francuskie
- 18 szt. agrafek francuskich na 100 cm szyny na wariant: sznurek 6 cm (np: 100 cm = 18 agrafek, 150 cm = 27 agrafek)
- 14 szt. agrafek francuskich na 100 cm szyny na wariant: sznurek 8 cm (np: 100 cm = 14 agrafek, 150 cm = 21 agrafek)
✅ 2 szt. zaślepki szyny
✅ 9 szt. uchwytu sufitowego
✅ 11 szt. kołków montażowych
✅ 2 szt. Łącznika (Jeśli wymagany)
Na życzenie docinamy szyny na wymiar GRATIS
Wybierz Rodzaj Systemu WAVE do Swojego Karnisza
Poniżej przedstawiamy dostępne rodzaje systemów WAVE, które możesz wybrać do swojego karnisza.
➡️ Sznurek Wave co 6 cm
Ten zestaw zawiera:
- Sznurek Wave Obrotowy co 6 cm - docięty na wymiar szyny
- 18 szt. agrafek francuskich na 100 cm szyny na wariant: sznurek 6 cm (np: 100 cm = 18 agrafek, 150 cm = 27 agrafek)
➡️ Sznurek Wave co 8 cm
Ten zestaw zawiera:
- Sznurek Wave Obrotowy co 8 cm - docięty na wymiar szyny
- 14 szt. agrafek francuskich na 100 cm szyny na wariant: sznurek 8 cm (np: 100 cm = 14 agrafek, 150 cm = 21 agrafek)
Prosimy o wybór!
Swój wybór można wpisać w polu "Uwagi do zakupu (opcjonalnie)", które będzie dostępne podczas wyboru opcji płatności i dostawy w trakcie składania zamówienia.
WAŻNE: W przypadku niepodania wariantu sznurka, wyślemy wariant co 6 cm!
Łącznik do Szyn Aluminiowych - Stabilne Połączenie
Jeśli potrzebujesz wydłużyć karnisz lub połączyć dwie szyny aluminiowe, łącznik jest niezbędnym elementem, który zapewni solidne i trwałe połączenie.
Cechy łącznika:
- ️ Wykonanie z metalu: Zapewnia wysoką wytrzymałość i stabilność połączenia.
- Łatwy montaż: Prosta instalacja na system click, która nie wymaga zaawansowanych narzędzi ani umiejętności.
Dodatkowa korzyść:
W zestawie BEZPŁATNIE dołączamy odpowiednią ilość łączników do wszystkich zamówionych szyn o długości powyżej 200 cm (dotyczy zwykłej formy kurierskiej lub opcji Allegro Smart). Dzięki temu masz pewność, że Twój karnisz będzie stabilny i odpowiednio połączony, niezależnie od jego
Koszty i Maksymalne Długości Wysyłki
Maksymalny wymiar szyny w 1 odcinku to 200 cm. Szyny powyżej będą dzielone na odcinki, które należy połączyć za pomocą łącznika
Dodatkowe informacje:
.
Podział Szyn powyżej 200 cm
Otrzymasz szynę w maksymalnie 200 cm odcinku w całości.
- Kupując wymiar powyżej 200 cm do 400 cm, szyny będą dzielone na 2 odcinki.
- Kupując wymiar powyżej 400 cm do 600 cm, szyny będą dzielone na 3 odcinki.
Szyny należy połączyć łącznikami dołączanymi do zestawu
