
System karniszy aluminiowych
Opis systemu:
– System szyn giętych wykonanych z ekstrudowanego aluminium o wymiarach 20×13 mm przystosowany do zawieszania średnio ciężkich tkanin, z napędem manualnym.
– Doskonałe rozwiązanie do wszelkiego rodzaju wykuszy, baszt, okien łączonych pod kątem, doskonale sprawdza się w zabudowach z karton gipsu oraz we wnękach w sufitach podwieszanych.
– Szyny i elementy lakierowane proszkowo
– Możliwość punktowego oraz promieniowego gięcia szyn.
– Szybka i łatwa instalacja za pomocą sufitowych oraz ściennych uchwytów wklikiwanych.
– W ofercie kilka rodzajów suwaków w tym również suwak z żabkami, które gwarantują płynne i ciche przesuwanie tkanin.
– System umożliwia zastosowanie taśmy WAVE równomiernie układającej tkaninę.
– Maksymalny ciężar zawieszonej tkaniny to ok. 8 kg na 1 mb
– Szyna występuje w długości max. 600 cm z możliwością skracania i wykonania zestawów karniszy na indywidualne zamówienie
Specyfikacja:
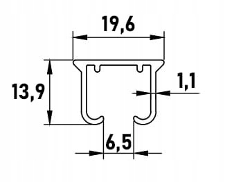
Szyna:
- Szerokość: 20 mm
- Wysokość : 13 mm
- Szerokość otworu: 6 mm
Suwaki:
- suwak AS + ślimak
- suwak obrotowy
- suwak z żabką metalową
- ślizg z agrafką zespoloną
Uchwyt wklikiwany:
- montowany bezpośrednio do sufitu
- zatrzaskiwane na click system ( wystarczy w kliknąć szynę w uchwyt)
Zaślepka:
- dokręcana na śrubkę przez tworząc przy tym jednocześnie ogranicznik wysunięcia się ślizgu z karnisza
Kołki montażowe:
- Kołki szybkiego montażu fi 6 ( komplet )


Przedmiotem naszej oferty jest komplet karnisza sufitowego szynowego jednotorowego o dowolnej długości.
Podana cena dotyczy szyny o długości 410cm wraz z akcesoriami (na życzenie skracamy)
Elementy składowe kompletu karnisza zawierają:
- 3 szt. szyna aluminiowa MS czarna (dostawa kurierska) lub 1szt. szyna aluminiowa MS czarna 410 cm (dostawa PANCZO)
- 41 szt. suwaków (do wyboru z lewej strony) WAŻNE: w przypadku niepodania rodzaju suwaka wyślemy agrafkę obrotową.
- 2 szt. zaślepki szyny
- 9 szt. uchwytu sufitowego wklikiwanego
- 2 szt. łącznik szyny clic
- 11 szt. Kołków montażowych
Na życzenie docinany szyny na wymiar GRATIS
Punktowe oraz promieniowe (łuk ciągły) gięcie profili.
System ten można giąć punktowo pod kątem prostym lub innym zgodnie z wymaganiami użytkownika, jak również promieniowo, łukiem ciągłym odwzorowując w ten sposób kształt okien lub ścian. Istnieje możliwość gięcia wewnętrznego jak i zewnętrznego zgodnie z poniższymi schematami.


Podgląd zawartości zestawu
- szyna aluminiowa
- suwak z żabką lub suwak AS + ślimak lub suwak obrotowy
- zaślepka z wkrętem
- uchwyt click
- łącznik szyny click ( jeśli długość tego wymaga )
- kołki montażowe

Podział Szyn powyżej 200 cm
Otrzymasz szynę w maksymalnie 200 cm odcinku w całości.
- Kupując wymiar powyżej 200 cm do 400 cm, szyny będą dzielone na 2 odcinki.
- Kupując wymiar powyżej 400 cm do 600 cm, szyny będą dzielone na 3 odcinki.
Szyny należy połączyć łącznikami dołączanymi do zestawu
Przykładowe zdjęcia z zastosowaniem karnisza




